অত্যন্ত প্রত্যাশিত 2025 গুয়াংঝু ইন্টারন্যাশনাল লো-অল্টিটিউড ইকোনমি এক্সপো 12 থেকে 14 ডিসেম্বর পর...
READ MOREবর্ণনা
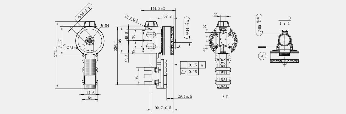
LN10822 সিরিজ ব্রাশলেস ড্রোন মোটর হল একটি উচ্চ-পারফরম্যান্স পাওয়ার সলিউশন যা পেশাদার UAVs এবং ভারী-লিফট মাল্টিরোটারগুলির জন্য তৈরি করা হয়েছে, নির্দিষ্ট প্রকল্পের চাহিদা মেটাতে সম্পূর্ণ কাস্টমাইজেশন বিকল্পগুলির সাথে একটি স্ট্যান্ডার্ড 85KV কনফিগারেশনে উপলব্ধ। ব্যতিক্রমী জোর এবং নির্ভরযোগ্য অপারেশন প্রদানের জন্য প্রকৌশলী, এই মোটরটি শিল্প পরিদর্শন, কার্গো পরিবহন, এরিয়াল ম্যাপিং এবং পেশাদার এরিয়াল ফটোগ্রাফি অ্যাপ্লিকেশনের জন্য আদর্শ।
প্রিমিয়াম-গ্রেডের উপকরণ এবং উন্নত নির্ভুল বাইনিং প্রযুক্তির সাথে তৈরি, LN10822 দীর্ঘায়িত উচ্চ-লোড ফ্লাইটের সময়ও দক্ষ শক্তি রূপান্তর, ন্যূনতম শক্তি হ্রাস এবং উচ্চতর তাপ অপচয় নিশ্চিত করে। এর দৃঢ় কাঠামোগত নকশা স্থায়িত্ব বাড়ায়, তীব্র বায়ু বা চরম তাপমাত্রার মতো কঠোর পরিবেশগত পরিস্থিতিতে সামঞ্জস্যপূর্ণ কর্মক্ষমতা সক্ষম করে। বাণিজ্যিক UAV নির্মাতারা একটি প্রমিত উচ্চ-পাওয়ার মোটর খুঁজছেন বা কাস্টমাইজড প্যারামিটার (KV রেটিং, থ্রাস্ট আউটপুট এবং মাউন্টিং মাত্রা সহ) প্রয়োজন বিশেষ প্রকল্পগুলির জন্য, LN10822 ফ্লাইট কর্মক্ষমতা উন্নত করার জন্য বহুমুখিতা, স্থিতিশীলতা এবং দক্ষতার ভারসাম্য বজায় রাখে।
পেশাদার দল এবং উত্সাহী নির্মাতা উভয়ের জন্য ডিজাইন করা, এই মোটরটি বিস্তৃত প্রপেলার এবং ফ্লাইট কন্ট্রোল সিস্টেমের সাথে নির্বিঘ্নে সংহত করে, সহজ ইনস্টলেশন এবং সামঞ্জস্যের প্রস্তাব দেয়। কঠোর মান নিয়ন্ত্রণ এবং প্রকৌশল দক্ষতা দ্বারা সমর্থিত, LN10822 দীর্ঘস্থায়ী নির্ভরযোগ্যতার গ্যারান্টি দেয়, এটিকে মিশনের জন্য একটি বিশ্বস্ত পছন্দ করে তোলে যা আপোষহীন শক্তি এবং ধারাবাহিকতার দাবি করে৷
রেটেক
প্যারামিটার
তদন্ত
| বৈদ্যুতিক বৈশিষ্ট্য। | ||||||||||
| কেভি | ব্যাটারি স্পেসিফিকেশন। | সর্বোচ্চ থ্রাস্ট ফোর্স (কেজি) | প্রপ ওজন (কেজি) | সিস্টেম ওজন (কেজি) | সর্বাধিক বর্তমান (A) | ম্যাক্স কন কারেন্ট (A) | মোটর ডিম (মিমি) | স্টেটর ডিম (মিমি) | মাউন্টিং ডিম (মিমি) | প্রপ (ইঞ্চি) |
| 85 | 14S-18S | 37.5 | 15-18 | 2.85 | 146 | 50 | φ116*42.5 | φ108*2 | 8-M4*10 | 43" |
| থ্রাস্ট টেস্টিং ডেটা | |||||||||
| প্রপেলার (ইঞ্চি) | ভোল্টেজ (V) | থ্রোটল (%) | থ্রাস্ট (কেজি) | বর্তমান (A) | পাওয়ার ইনপুট (W) | গতি (RPM) | দক্ষতা (%) | টর্ক (N·m) | পাওয়ার আউটপুট (W) |
| 43" | 54V | 33% | 7175 | 11.3 | 614.7 | 1485 | 11.7 | 3.37 | 523.3 |
| ৩৫% | 7885 | 13.1 | 710.4 | 1557 | 11.1 | 3.7 | 603 | ||
| 37% | 8965 | 15.9 | 862.1 | 1660 | 10.4 | 4.21 | 731.7 | ||
| 39% | 9740 | 18 | 975.6 | 1730 | 10 | 4.58 | 829.2 | ||
| 42% | 10875 | 21.6 | 1148.8 | 1827 | 9.5 | 5.12 | 978.9 | ||
| 45% | 12280 | 26.2 | 1432.2 | 1927 | 8.8 | 5.97 | 1232.5 | ||
| 48% | 14000 | 30.9 | 1670.7 | 2071 | 8.4 | 6.59 | 1428.8 | ||
| 51% | 15300 | 35.2 | 1907.5 | 2165 | 8 | 7.19 | 1630.3 | ||
| 54% | 17035 | 42.4 | 2295.7 | 2303 | 7.5 | 8.11 | 1956.6 | ||
| 57% | 18715 | 47.8 | 2585.4 | 2396 | 7.2 | 8.76 | 2197 | ||
| ৬০% | 19810 | 52.1 | 2819.9 | 2466 | 7 | 9.26 | 2390.1 | ||
| 63% | 21560 | 59.3 | 3211.7 | 2574 | 6.7 | 10.06 | 2710.2 | ||
| 66% | 23030 | 65.7 | 3557.4 | 2662 | 6.5 | 10.73 | 2990.1 | ||
| 69% | 24795 | 73.8 | 3992.3 | 2763 | 6.2 | 11.54 | 3339.4 | ||
| 72% | 26215 | 80.5 | 4358.1 | 2842 | 6 | 12.2 | 3630.7 | ||
| 75% | 27825 | 88.5 | 4790.5 | 2928 | 5.8 | 12.95 | 3971.1 | ||
| 78% | 29535 | 97.4 | 5270.8 | 3016 | 5.6 | 13.75 | 4343.3 | ||
| 81% | 30945 | 105.1 | 5683.9 | 3087 | 5.4 | 14.41 | 4656.6 | ||
| 84% | 31435 | 107.8 | 5830.9 | 3111 | 5.4 | 14.63 | 4766.6 | ||
| 87% | 33235 | 118.2 | 6389.4 | 3198 | 5.2 | 15.45 | 5173.2 | ||
| 90% | 34920 | 128.3 | 6938.7 | 3279 | 5 | 16.18 | 5554.3 | ||
| 100% | 37670 | 146.1 | 7895.3 | 3414 | 4.8 | 17.24 | 6162.9 | ||
আপনার তথ্য ইনপুট.
আপনি আমাদের অংশীদার হতে চান বা পণ্যে আমাদের পেশাদার দিকনির্দেশনা বা সমর্থন প্রয়োজন কিনা নির্বাচন এবং সমস্যার সমাধান, আমাদের বিশেষজ্ঞরা সবসময় 12 ঘন্টার মধ্যে সাহায্য করতে প্রস্তুত বিশ্বব্যাপী!
অত্যন্ত প্রত্যাশিত 2025 গুয়াংঝু ইন্টারন্যাশনাল লো-অল্টিটিউড ইকোনমি এক্সপো 12 থেকে 14 ডিসেম্বর পর...
READ MOREমনুষ্যবিহীন এরিয়াল ভেহিক্যালস (UAVs) এর কর্মক্ষমতা খাম তাদের প্রপালশন সিস্টেম দ্বারা কঠোরভাবে সং...
READ MOREসম্প্রতি, প্রধান ইউরোপীয় ক্লায়েন্টদের একটি প্রতিনিধি দল একদিনের গভীর সফর এবং বিনিময়ের জন্য আমা...
READ MOREকি বোঝা a কোরলেস ডিসি মোটর সত্যিই অফার কেন ইঞ্জিনিয়াররা কোরলেস ডিজাইনে স্যুইচ করছেন ...
READ MOREশেনজেন মিলিটারি-সিভিলিয়ান এক্সপোতে আমাদের ড্রোন মটরসের আত্মপ্রকাশ দারুন স...
READ MOREভূমিকা: ব্যথা পয়েন্ট ক্যাপচার আপনি কি কখনও মনে করেন যে আপনার ছাদের ভেন্টিলেটর ফ্যানটি তার ওজন...
READ MORE