শিল্প
বায়ুচলাচল সরঞ্জাম এবং পরিবারের যন্ত্রপাতি
• বায়ুচলাচল সরঞ্জাম
-অক্ষীয় প্রবাহ ফ্যান
-কেন্দ্রিক ভক্ত
- ছাদের ভেন্টিলেটর
• গৃহস্থালী যন্ত্রপাতি:
- ওয়াশিং মেশিন
-এয়ার পিউরিফায়ার
-কুলিং ফ্যান
-রেফ্রিজারেটর
সম্পর্কিত পণ্য
×
| বৈদ্যুতিক বৈশিষ্ট্য। | |||||||||||||||||||||||||
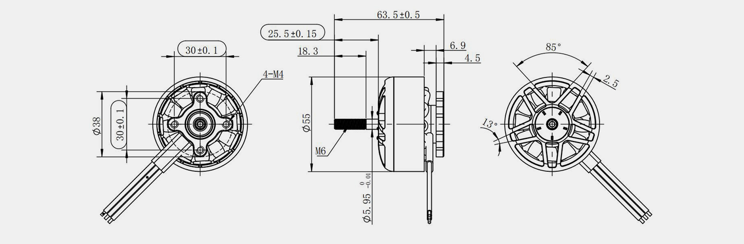
| সর্বোচ্চ পৃ (প) | ভোল্টেজ (V) | সর্বোচ্চ আমি (ক) | কেভি | নো-লোড কারেন্ট (ক) | প্রতিরোধ (mΩ) | খুঁটি | মোটর ডিম। (মিমি) | স্টেটর ডিম। (মিমি) | মাউন্টিং (মিমি) | এন.W. (ছ) | প্রপ (ইঞ্চি) | ||||||||||||||
| 1052 | 25~33.6 | 45 | 350 | 1.5 | 45 | 14 | φ55*38 | φ47*15 | M3-30*30 | 277 | 13" | ||||||||||||||
| থ্রাস্ট টেস্টিং ডেটা | |||||||||||||||||||||||||
| প্রপেলার | kV মান | থ্রটল (%) | উ (V) | আমি (ক) | N (RPM) | পাউট (প) | পিন (প) | কর্মদক্ষতা (G/W) | |||||||||||||||||
| GF1310*3 | 350kV | 30 | 25.13 | 0.304 | 1737.5 | 285 | 7.6 | 4.959 | |||||||||||||||||
| 35 | 25.1 | 1.128 | 2188.7 | 346.9 | 28.3 | 4.644 | |||||||||||||||||||
| 40 | 25.07 | 2.15 | 2586.8 | 395.4 | 53.9 | 4.6 | |||||||||||||||||||
| 45 | 25.01 | 3.905 | 3072.1 | 444.1 | 97.7 | 4.814 | |||||||||||||||||||
| 50 | 24.96 | 5.722 | 3427.8 | 469.5 | 142.8 | 5.128 | |||||||||||||||||||
| 55 | 24.9 | 7.707 | 3734.9 | 484.3 | 191.9 | 5.495 | |||||||||||||||||||
| 60 | 24.82 | 10.228 | 4070.8 | 494.1 | 253.9 | 5.973 | |||||||||||||||||||
| 65 | 24.7 | 13.866 | 4458 | 491.4 | 342.5 | 6.798 | |||||||||||||||||||
| 70 | 24.59 | 17.485 | 4785.6 | 481.2 | 429.9 | 7.62 | |||||||||||||||||||
| 75 | 24.45 | 21.663 | 5093.5 | 460.1 | 529.7 | 8.72 | |||||||||||||||||||
| 80 | 24.3 | 26.413 | 5384.7 | 428.8 | 641.8 | 10.186 | |||||||||||||||||||
| 85 | 24.13 | 31.418 | 5661.1 | 393.6 | 758.3 | 11.977 | |||||||||||||||||||
| 90 | 23.96 | 36.765 | 5909.1 | 352.2 | 880.9 | 14.277 | |||||||||||||||||||
| 95 | 23.75 | 42.922 | 6131.1 | 300.8 | 1019.5 | 17.8 | |||||||||||||||||||
| 100 | 23.7 | 44.411 | 6217.5 | 292.6 | 1052.3 | 18.591 | |||||||||||||||||||
6S 320kV 350kV 380kV ড্রোন মোটর LN4715 1.5kg থ্রাস্ট ফোর্স
এয়ার পিউরিফায়ার 24VDC 40W ফ্যান মোটর সিলিং ফ্যান মোটর wo60 সিরিজ
×
রিমোট এরিয়া সোলার প্যানেল পাওয়ার সাপ্লাই সিস্টেমের জন্য ডুয়াল ভোল্টেজ 230VAC/12VDC এক ড্রাইভে ধাতব শেল সহ W70 সিরিজ
পণ্য বৈশিষ্ট্য:
নমনীয় শক্তি উত্স জন্য দ্বৈত ভোল্টেজ সমর্থন
উন্নত সুরক্ষার জন্য একটি টেকসই ধাতব শেল দিয়ে ডিজাইন করা হয়েছে
সৌর-চালিত সিস্টেমের জন্য আদর্শ
প্রত্যন্ত অঞ্চলে নির্ভরযোগ্য কর্মক্ষমতা
রিমোট এরিয়া সোলার প্যানেল পাওয়ার সাপ্লাই সিস্টেমের জন্য ডুয়াল ভোল্টেজ 230VAC/12VDC এক ড্রাইভে ধাতব শেল সহ W70 সিরিজ
